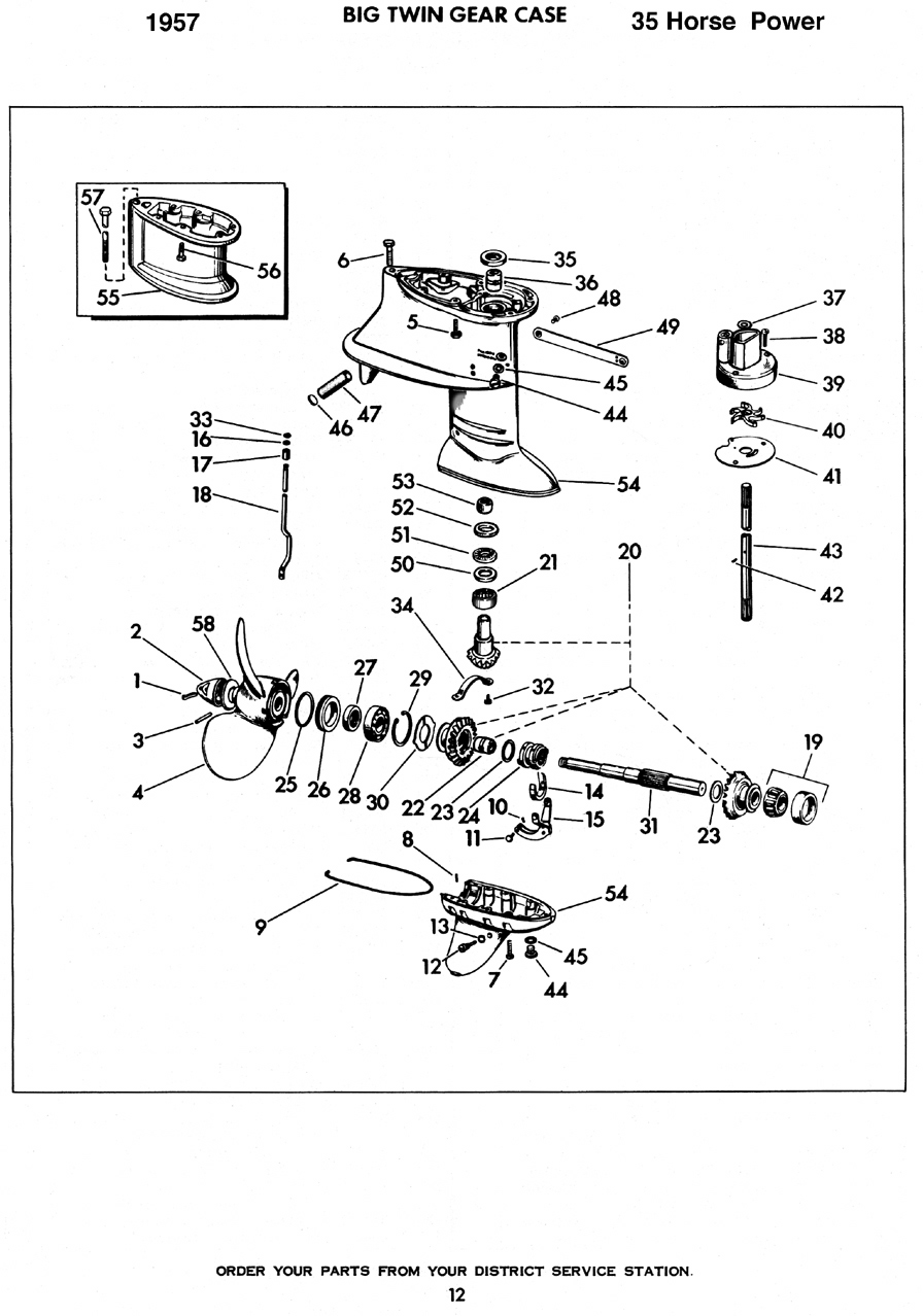
The upper and lower gear housings are machined as a unit. The skeg casting was NEVER available by itself from the factory. A freeze crack usually occurs down by the 303358 pivot pin. A crack by the seam is usually the result of hitting something while being trailered.


Hope this helps –
